跳转至

处理器

RISC-V 指令系统

六种基本指令格式:

  • 用于寄存器-寄存器操作的 R 类型指令;
  • 用于短立即数和访存 load 操作的 I 型指令;
  • 用于访存 store 操作的 S 型指令;
  • 用于条件跳转操作的 B 类型指令;
  • 用于长立即数的 U 型指令;
  • 用于无条件跳转的 J 型指令。

寻址模式

  • 立即数寻址
  • 寄存器寻址
  • 基址寻址
  • PC 相对寻址

函数调用

调用的过程:

  1. 将参数放到过程可以访问到的地方;
  2. 将控制转交给过程;
  3. 获取过程所需的存储资源;
  4. 执行所需的任务;
  5. 将结果值放在调用程序可以访问到的地方;
  6. 将控制返回到初始点。

寄存器使用:

  • x10-x17:传递参数和返回值;
  • x1ra 返回地址寄存器;
  • x2sp 栈指针。

控制流:

在 B 型指令中,由于指令暗含了对齐,因此 12 比特 imm 表示了 [-4096, +4094] 共 13 比特的偏移信息。

jal 2 比特对齐。

jalr 为 I 型指令,不是 J 型指令,不需要对齐(\times 2)。

auipc 指令将立即数左移 12 位加到 PC 上,并将结果写入到目标寄存器。这样,可以将 auipc 中的 20 位立即数与 jalr 中的 12 位立即数组合,将执行流程转移到任何相对于 PC 寄存器的 32 位偏移地址。

处理器

CPI:一条指令所需的 CPU 时钟周期数。

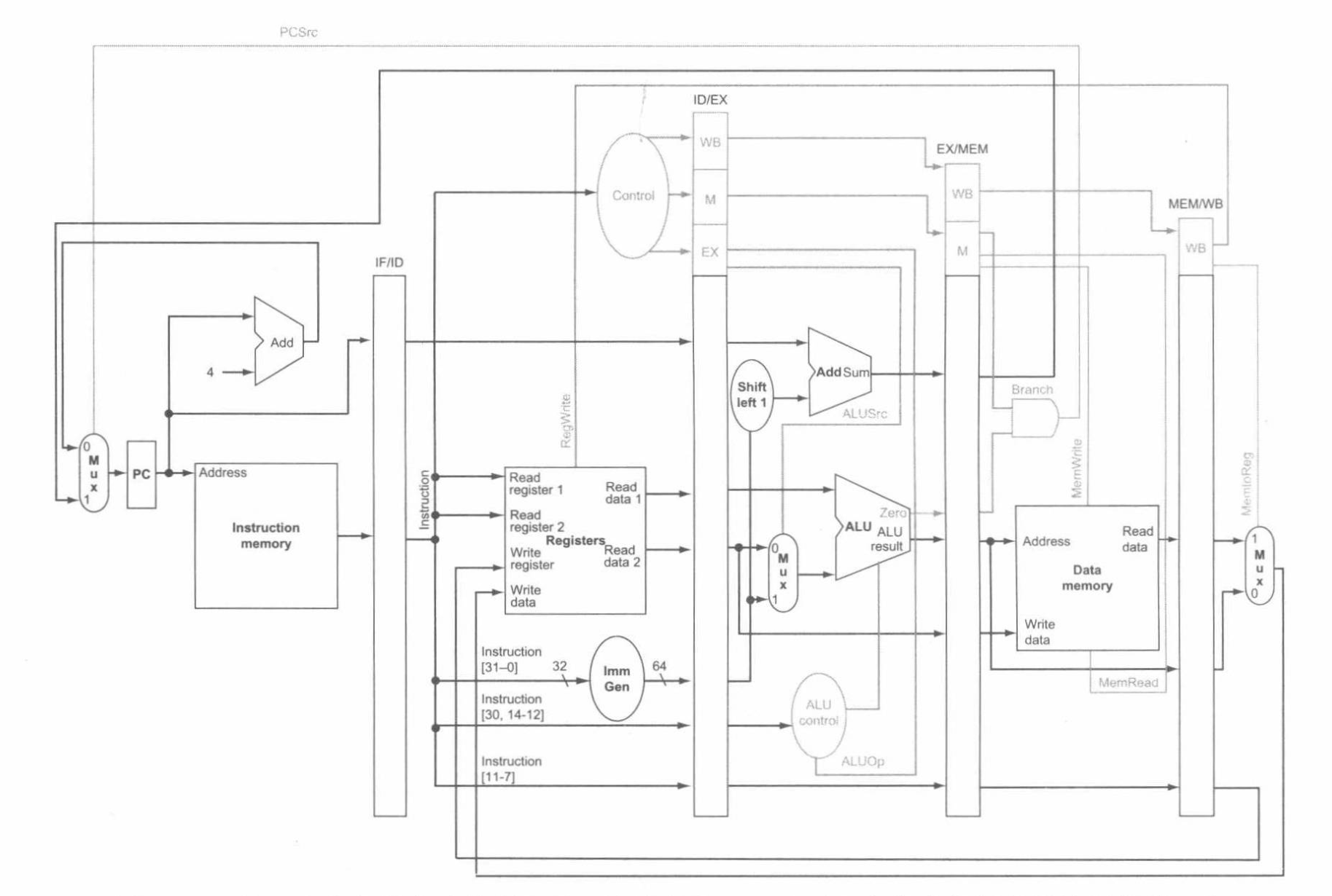
流水线

冲突

流水线中的冲突:

  • 结构冲突:硬件资源无法满足指令重叠执行(如 IF 和 MEM 同时访问内存)。
  • 数据冲突:一条指令依赖于前面指令执行结果数据,但又在指定位置无法得到正确数据。
  • 控制冲突:分支指令或其它需要改写 PC 的指令。

结构冲突

暂停流水线,插入气泡;资源充分利用(如同时读写寄存器堆)。

数据冲突

前递

EX 冒险:EX/MEM 段要写的寄存器和 ID/EX 段要操作的寄存器相同。

MEM 冒险:MEM/WB 段要写的寄存器和 ID/EX 段要操作的寄存器相同。

停顿

一条指令在加载内存之后读取该寄存器(EX/MEM 段要读,且 ID/EX 段要操作的寄存器相同),产生冲突且无法通过前递解决,需要停顿直到 load 完成后,再利用前递完成。

控制冲突

在冲突中对流水线性能影响最大。

简单处理:

  1. 出现分支指令即暂停流水线,直到 MEM 阶段获得新 PC 之后。
  2. 缩短分支延迟。
  3. 假设分支不发生/发生。
动态分支预测

1 位动态分支预测

1 位 BHT 位决定是否进行跳转。该处理在性能上存在一定缺点:即使一个条件分支总是发生跳转,但一旦其不发生跳转时就会造成两次预测错误。

针对这一问题,可以增加到 2 位 BHT,两次预测错误才改变给出的预测。

中断和异常

特权级

U(用户模式)、S(监管者模式)、M(机器模式)。

中断与异常

  • 同步异常:
    • 访问错误异常;
    • 断点异常;
    • 环境调用异常;
    • 非法指令异常;
    • 非对齐地址异常。
  • 异步异常(中断):
    • 软件中断:用户一个 hart 中断另一个 hart;
    • 时钟中断:计数器 mtime 大于比较寄存器 mtimecmp
    • 外部中断:外设中断控制器触发。

M 态异常处理

CSR 寄存器:

  • mtvec:处理器需跳转的地址。
  • mepc:异常 PC。
  • mcause:异常种类。
  • mie:中断使能。
  • mip:正准备处理的中断,pending。
  • mtval:trap 附加信息。
  • mscratch:暂时存放一个字大小的数据。
  • mstatus:机器状态。

异常处理流程:

  1. 保存异常 PC 到 mepc,PC 被置为 mtvec
  2. 设置异常种类 mcause,设置 mtval
  3. 禁用 mie,将旧 mie 保存到 mpie
  4. 就权限模式保存到 mstatus MPP 域中,权限模式更改为 M。

可抢占式异常处理:在处理异常过程中转到处理更高优先级的中断。

物理内存保护

PMP,M 模式可指定 U 模式可访问的内存地址。

如果地址大于等于 PMP 地址 i,小于 PMP 地址 i + 1,则访问权限由 PMP i + 1 的配置寄存器决定。

S 态异常处理

异常委托机制:通过该机制可选择性将中断和异常完全绕过 M 模式给 S 模式处理。

异常委托寄存器:

  • mideleg:控制委托给 S 态的中断。
  • medeleg:控制委托给 S 态的异常。

最后更新: 2022年12月30日
回到页面顶部