跳转至

层次存储系统

层次存储系统概述

存储系统

  • 随机访问存储器(RAM):随机,即访问时间与存放位置无关;半导体存储器。
  • 顺序访问存储器(SAM):按照存储位置依次访问;磁带存储器。
  • 直接访问存储器(DAM):随机 + 顺序;磁盘存储器。
  • 关联访问存储器(CAM):根据内容访问;cache 和 TLB。

层次存储系统

基本原则

  • 一致性原则:处在不同层次存储器中的同一个信息应保持相同的值。
  • 包含性原则:处在内层的信息一定包含在外层中。

DRAM

动态存储器,存储原理为 晶体管 + 电容

工作特点:

  • 破坏性读出:电容放电导致,刚读出内容必须立即写回,称为预充电延迟。
  • 要定期刷新:电容漏电导致,因此需要:
  • 集中刷新:停止读写,所有行逐行刷新。
  • 分散刷新:每次完成读写之后刷新这一行。

DRAM 系统的结构:

DIMM(Dual Inline Memory Modules) -> rank -> chip -> bank -> row & col

读取 DRAM 次序如下,因此行列地址需要分两次送(如果缓存命中则不需要送列地址)。

SRAM

触发器存储,不需要刷新;非破坏性读出;行列地址同时送。

Cache

基本原理

程序局部性原理

  • 时间局部性:最近访问的信息很可能很快还要被访问,因此装载进 cache。
  • 空间局部性:最近被访问的信息邻近的信息很可能要被访问,因此装载进 cache。

基本实现

主存和 CPU 之间的存储器,SRAM 实现,高速、透明。

cache 通常需要由数据块(data)、标签字段(tag)和有效位(valid)组成,但 命名规范中一般只考虑数据的大小

主要问题

  • 地址和 cache 行之间的映射关系:如何根据主存地址得到 cache 中的数据?
  • 数据之间的一致性:cache 中的内容是否已经是主存对应地址中的内容?
  • 数据交换的粒度:cache 中的内容与主存内容以多大的粒度交换?
  • cache 内容装入和替换策略:如何提高 cache 命中率?

参数

  • 块(line):数据交换的最小单位。
  • 命中(hit):命中率;命中时间。
  • 缺失(miss):缺失率;缺失损失。

平均访问时间:\text{HR} \times {命中时间} + (1 - \text{HR}) \times {缺失损失}

缓存地址映射

全相联

所有地址都可以映射到所有位置。

组数为 1,每组中有多路。

PC 被划分为标记位和块内地址:

PC = tag | block offset

例:主存 4GB,cache 4KB 全相联,块大小 4B。

分析过程:

  • 主存 4GB => PC 位数 32。
  • 块 4B => offset 位数 2。
  • tag 位数:30。

特点:

  • 主存字块可以和 cache 任意字块对应,利用率高,方式灵活。
  • tag 位长,比较电路成本高。

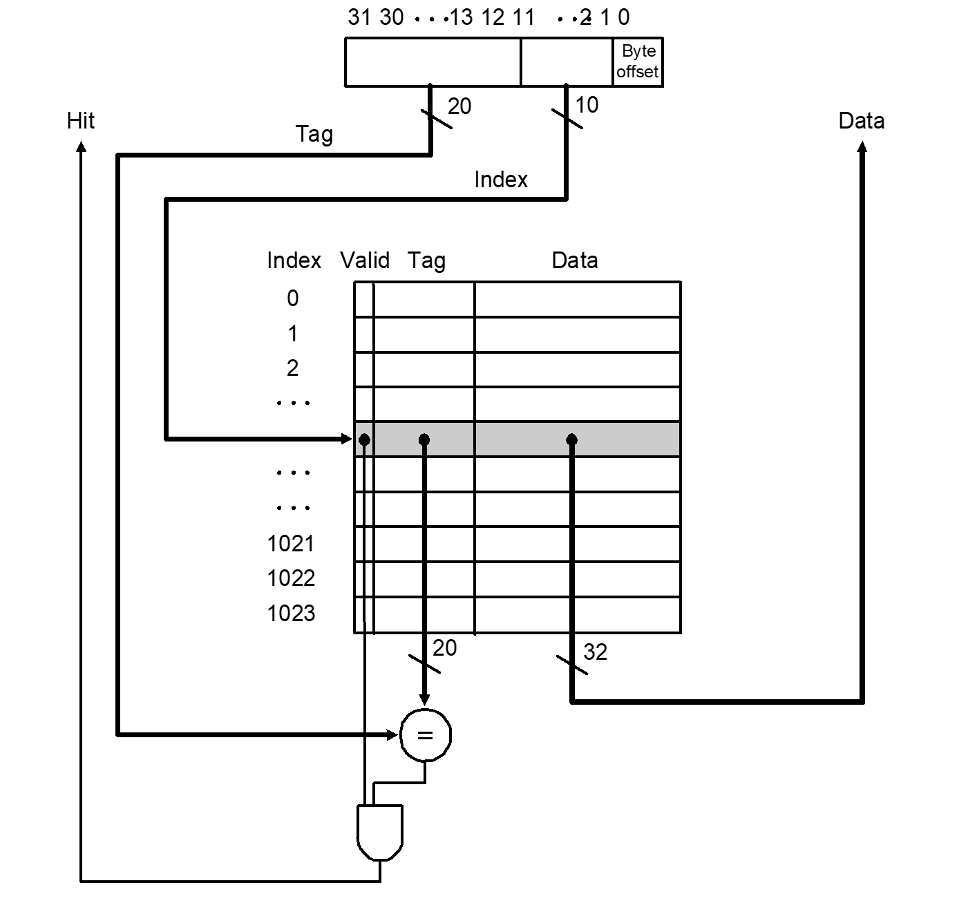
直接映射

每个地址只可能映射到一个位置。

若干组,组内只有一路。

PC 被划分为标记位、组索引和块内地址:

PC = tag | set index | block offset

例:主存 4GB,cache 4KB 直接映射,块大小 4B。

分析过程:

  • 主存 4GB => PC 位数 32。
  • 块 4B => offset 位数 2。
  • cache 4KB,块大小 4B => 1024 组,set index 位数 10。
  • tag 位数:20。

特点:

  • 主存字块只可以和固定的 cache 字块对应,方式直接,利用率低、命中率低、效率较低。
  • 标志位较短,比较电路成本低。

多路组相联

PC 被划分为标记位、组索引和块内地址:

PC = tag | set index | block offset

特点:

  • 前两种方式的折中方案,组内全相联,组间直接映射。
  • 集中两种方案的优点,成本合适,效率适中。

写缓存

  • 写直达(write through):保证强一致性
    • 写分配(write allocate):写完加载进 cache。
    • 写不分配(no write allocate):写完不需要加载进 cache,动机为如果操作系统要写整个数据块,则写完第一个字段就加载是不必要的。
  • 拖后些(write back):弱一致性。

cache 缺失

必然缺失

开机或者进程切换首次访问数据块,【必然发生】。

难以避免,只要程序访问存储器次数够多即可忽略,可通过预取策略应对。

容量缺失

活动数据集超过了 cache 的大小,【全相联经常发生】。

增加 cache 容量应对。

冲突缺失

多个内存块映射到同一个 cache 块,【直接映射经常发生】。

增加 cache 容量,增加相连路数。

无效缺失

其他进程修改了主存数据。

cache 接入系统的体系结构

  1. 侧接法:与其他部分一样接到总线上,结构简单成本低,但不利于降低总线占用率。
  2. 隔断法:使 cache 处于两段之间,有利于提高总线利用率,但结构复杂成本较高。

一致性保证策略

  • 修改态(M):被修改,只能从 cache 读到正确数据。
  • 独占态(E):与主存对应数据块相同,且在其他 cache 中没有副本。
  • 共享态(S):与主存对应数据块相同,可能在其他 cache 中有副本。
  • 无效态(I):尚未装入数据。

虚拟内存

Motivation:

  • 将物理内存作为磁盘数据的缓存。
  • 简化程序的内存管理。
  • 存储保护功能。

页式存储管理

将主存和虚存划分为固定大小的页,以页为单位进行管理和数据交换,地址被划分为 页号 + 页内地址。

TLB

转换旁路缓冲,缓存虚实地址转换。

TLB 缺失将造成:流水线停止、通知操作系统、读页表、将表项写入 TLB、返回到用户程序并重新访问。

地址转换

段式存储管理

使用段分界,段长动态可变,标记不同权限。

外存储器

非易失性存储。

特点:慢、串行访问、访问粒度大、掉电后信息不丢失。

磁盘

磁盘结构:n 个盘片(platter)、2n 个盘面(surface)、盘面上的同心圆-磁道(track)、扇区(sector)。

访问过程

  1. 寻道:找到正确的磁道。
  2. 寻找扇区:等待磁道旋转到要读的扇区,期望时间是旋转半周的时间。
  3. 数据传输:读写数据。
  4. 磁盘控制器延迟:这一延迟串行访问时每次都叠加,可通过并行读多个层面或并行读多个磁盘改进。

例:平均寻道时间 12 \text{ms},旋转速度 5400 \text{rpm},磁盘控制器延迟 2 \text{ms},传输速度 5 \text{MB},求读取一页(8 \text{KB}) 需要多少时间?

寻道:12 \text{ms}

旋转延迟:\frac 1 2 \times \frac{1}{5400} = 5.6 \text{ms}

传输时间:\frac{8 \text{KB}}{5 \text{MB/S}} = 1.6 \text{ms}

磁盘控制器延迟:2 \text{ms}

故总时间为 21.2 \text{ms}

可靠性与可用性

  • 可靠性:使用设备出现故障的几率衡量。
    • 改善使用环境;
    • 提高各部件可靠性;
    • 减少组成部件。
  • 可用性:使用系统能正常运行的几率衡量。
    • 增加硬件冗余,如检错纠错码等。

RAID

廉价磁盘的冗余阵列(Redundant Array of Inexpensive Disks)。

用若干个链接磁盘组成统一管理阵列。

RAID0

Block-level striping with no redundancy。

Motivation: Data striping。

将磁盘划分为带,每个带内 k 个扇区,交叉循环写在不同的扇区中。这样从带边界出发对于连续带的读指令就可以拆为读多个带指令。

适合数据请求量较大的情况,没有冗余,对随机读写较为友好

RAID1

Disk mirroring with no striping。

备份在不同磁盘中。

写操作需要进行两次,而读操作可以进行负载均衡,性能高两倍

冗余备份,可靠性高。

RAID2

Bit-level striping with ECC codes。

以字节为工作单位,对每个字节分解成一对 4 位的半字节,每个半字节加上 3 位校验码变成 7 位,分别写在 7 个磁盘上。

控制器复杂,成本高,需要驱动器同步。

例:3 + 4。

RAID3

Striping with a dedicated parity disk。

RAID2 简化版,每个字计算一个校验位,存储在校验驱动器上,需要驱动器同步,对随机读写不友好。

例:3 + 1。

RAID4

Striping with a dedicated parity disk。

每个带计算一个校验带。

RAID0 + 校验,不对字进行校验,不需要驱动器同步,对部分字节纠错能力差,校验盘负载沉重,对随机读写不友好。

例:3 + 1。

RAID5

Block-level striping with distributed parity information。

减少校验盘负载,将校验位循环均匀分布在所有驱动器上。

例:3 + 1。

RAID6

Block-level striping with double distributed parity information。

二维校验,可以纠正两个盘上的错误。

例:3 + 2。

固态硬盘

固态硬盘(SSD):由控制单元、存储单元组成。

  • 控制单元:FTL 完成上层逻辑地址到底层物理地址的转换、磨损均衡,垃圾回收。
  • 存储单元:按 block 有限次擦除,按页进行读写,组织结构为 package -> die -> plane -> block -> page。

以页的方式写入(最小读写单元),块的方式擦除(最小擦除单元)。


最后更新: 2022年12月30日
回到页面顶部